Твой RAV4 как новенький! Узнай все о ремонте, обслуживании и секретах эксплуатации Toyota RAV4. Продли жизнь своему железному коню! Советы экспертов.
Рубрика: Топливная система

Устройство ходовой части Дэу Матиз
Узнайте все о ходовой части Daewoo Matiz! Как устроена, что ломается чаще всего и как продлить ей жизнь? Советы бывалых матизоводов!

Автомобильная электроника для начинающих: Полное руководство
Хочешь разбираться в автоэлектрике как профи? Наше руководство для начинающих откроет мир проводов, лампочек и крутых апгрейдов! Экономь деньги и прокачай свой автомобиль!

Латки для кузова автомобиля: восстановление и защита
Кузов в хлам? Не беда! Узнай, как латки для кузова спасут твою машину от коррозии и ДТП. Выбираем лучшие материалы и технологии, чтобы тачка снова сияла!

Электрическое одеяло для двигателя автомобиля: преимущества, конструкция и использование
Зима не страшна! Электроодеяло для двигателя обеспечит легкий запуск и защитит от износа. Забудь о проблемах с запуском в мороз! Сохрани тепло и продли жизнь мотору!

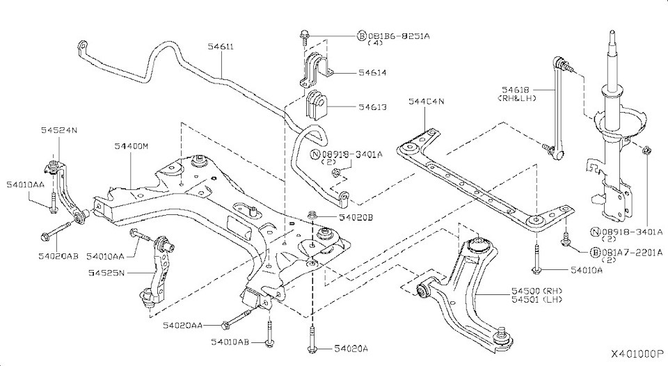
Устройство ходовой части Ниссан Тиида
Узнайте все о ходовой части Ниссан Тиида! Как устроена, как работает и как поддерживать ее в идеальном состоянии? Советы и секреты для комфортной езды на Тииде.

Безопасность Мерседес A-Класса: активные и пассивные системы
Узнайте, насколько безопасен ваш Мерседес A-Класса! Разбираем все системы защиты, от подушек безопасности до умных ассистентов. Безопасность превыше всего!

Ремонт Металлических Трубок Автомобиля
Беда с металлическими трубками автомобиля? Утечка тормозной жидкости или топлива? Быстрый и надежный ремонт металлических трубок автомобиля – вернем вашу машину к жизни!

Снятие двигателя с автомобиля ЗИЛ: подробное руководство
Решили сами снять двигатель с ЗИЛа? Не вопрос! Подробная инструкция, советы и хитрости, чтобы все прошло гладко. Забудьте про автосервис, сделайте это сами! **Снять двигатель** – это проще, чем кажется!

Ремонт цифрового вольтметра в автомобиле: пошаговое руководство
Твой цифровой вольтметр в машине показывает ерунду? Разберем частые причины поломок автомобильного вольтметра и как их избежать! Читай!